
经公司研究,决定对总降站10KV系统故障快速切除改造项目采取公开招标方式确定供方,诚邀符合招标条件并认可招标文件内容的企业参与本次竞标,现将有关事宜公告如下:
一、项目概况
(一)项目名称:总降站10KV系统故障快速切除改造项目。
(二)项目地点:四川省峨眉山市九里镇四川峨胜水泥集团股份有限公司。
(三)项目内容
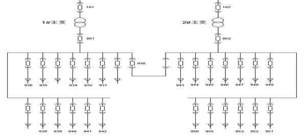
项目现状:招标方总降变电所10kV供电系统包含26台馈电柜,对二级车间变电所、高压电容补偿装置等进行供电。高压用电设备多,线路比较分散。当发生短路故障时,常规弹簧操作机构的断路器跳闸时间长,10KV电压暂降幅度大,不能满足设备的连续运行要求。供电系统结构图如下:

改造目标:对系统19台10kV出线柜进行改造,主要包括快速保护控制装置和快速真空断路器。通过快速检测线路短路故障,迅速分断快速开关,稳定母线电压的跌落,保证母线的所有出线的电压稳定,确保故障回路快速切除而不影响其它线路的可靠供电,保证生产的正常运行。
预计范围及清单:

(四)质量要求
符合国家标准或相关行业标准要求,满足招标文件要求。
二、投标人资格要求
(一)在中华人民共和国境内注册,具备独立法人资格的企业。
(二)投标人的投标活动均应严格遵守中华人民共和国法律和法规,未处于被责令停业、财产被接管、冻结、破产状态,无不良的债务和违约行为。
(三)投标人的注册资本不得低于人民币1000万元,具备与招标需求相适应的经营范围。
(四)业绩要求:
1.合同签订时间为2021年至今,具备至少5台快速真空断路器或10KV快速切换装置的销售业绩。
2.须提供合同及对应发票(或验收单等相关证明材料)的复印件且印章清晰,否则无效。
三、投标须知
(一)投标人资质递交:2022年11月23日前通过邮箱递交,邮箱为es5573898@163.com,企业法人代表不参与投标的,需提供法人代表授权委托书。
(二)招标文件的获取:资质审核通过后,于2022年11月24日通过邮箱es5573898@163.com发放。
(三)投标保证金¥50000.00元(人民币大写:伍万元整)于2022年12月2日16:00前通过投标人的基本账户转账至招标人指定账户,并将转账凭证发送至招标方邮箱:
开户行:农行峨眉山市支行
账号:367101040002464
户名:四川峨胜水泥集团股份有限公司
邮箱:es5573898@163.com
注意:转账时备注“断路器投标保证金”。投标保证金的交纳以银行到账时间为准。
(四)本项目最低付款条件:货及票未到前无付款、承兑支付,其余自定。
(五)投标文件递交截止时间:2022年12月7日16:00。
(六)开标时间:2022年12月8日8:30,开标相关事宜另行通知。
(七)原则上各环节时间安排按上述进行,如受疫情影响则时间顺延,以通知为准。
(八)投标文件递交截止日期前,投标人按招标文件要求通过顺丰、中通、邮政、韵达等具备有效防疫措施的快递递交投标文件。逾期送达、未送达至指定地点或不按要求密封的投标文件,招标人不予受理。
(九)招标人将对投标人的改造方案、投标报价、综合实力、主要业绩、产品质量、售后服务等方面等进行综合考评。
(十)投标人如有必要进行现场踏勘的须提前与招标人联系,按照招标人的要求提供相关防疫手续后再行前往。
(十一)招投标实施部门及咨询电话:四川峨胜水泥集团股份有限公司采购中心,咨询电话:0833-5571188转8615。
(十二)本公告由公司招投标管理委员会负责解释,招标人有权根据招投标实际情况中止招标。
2022年11月18日